? CMOS Technology for Bus and Analog Applications
? Low On-Resistance: 802 at 3.0V
? Wide VCC Range: 1.65V to 5.5V
? Rail-to-Rail Signal Range
? Control Input Overvoltage Tolerance: 5.5V
? Fast Transition Speed: 2ns at 5.0V
?High Off Isolation: -63dB @ 10MHz
?Break-Before-Make Switching
?High Bandwidth: 350MHz
?Extended Industrial Temperature Range:
-40°C to 85°C
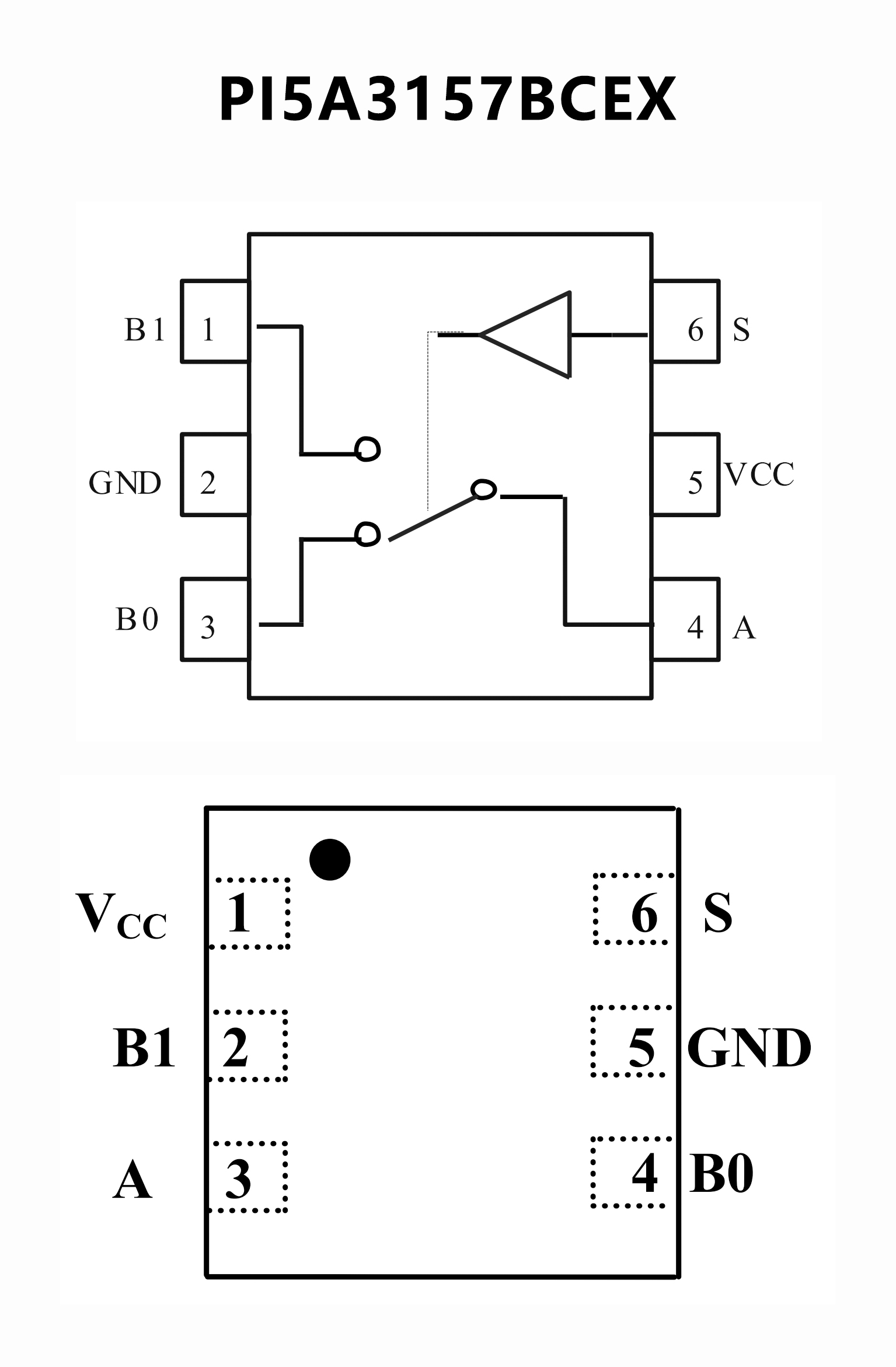
? PI5A3157B Is Improved Direct Replacement for
NC7SB3157
? Packaging (Pb-free & Green):
-6-pin UDFN lmmxlmm
-6-pin SC70
? Low ON-State Resistance (10 ?)
? Control Inputs Are 5-V Tolerant
? Low Charge Injection
? Excellent ON-State Resistance Matching
? Low Total Harmonic Distortion (THD)
? 1.65-V to 5.5-V Single-Supply Operation
? Latch-Up Performance Exceeds 100 mA
Per JESD 78, Class II
? ESD Performance Tested Per JESD 22
2000-V Human-Body Model
(A114-B, Class II)
1000-V Charged-Device Model (C101)









