Micro Power operational Amplifier, SGM8541 Replace MCP6001.
SGM8541
SGM8541.pdf
FEATURES
· Low Cost
? Rail-to-Rail Input and Output
0.8mV Typical VOS
? Unity Gain Stable
? Gain-Bandwidth Product: 1.1MHz
? Very Low Input Bias Current: 0.5pA
? Supply Voltage Range: 2.1V to 5.5V
? Input Voltage Range:
-0.1V to +5.6V with VS = 5.5V
? Low Supply Current: 46μA/Amplifier
? Small Packaging
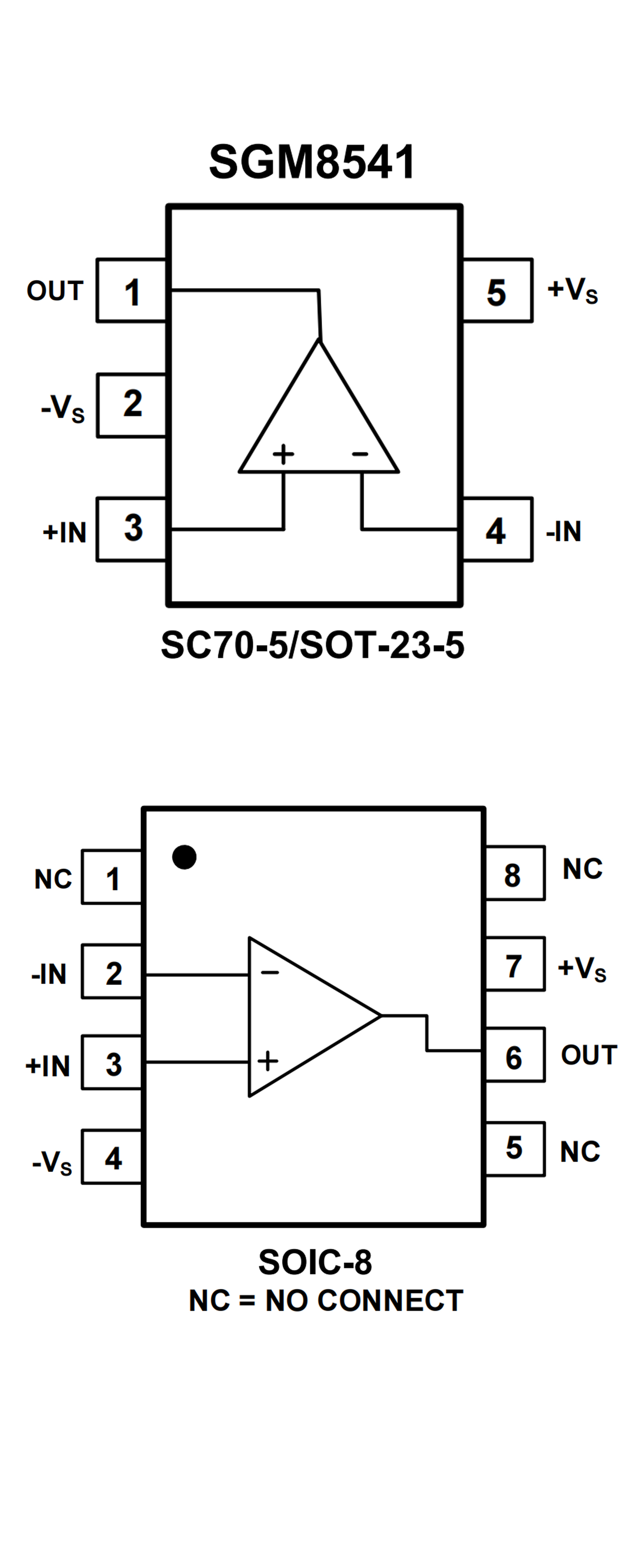
SGM8541 Available in SOIC-8, SC70-5 and SOT-23-5
PIN CONFIGUTION
優勢替代
FEATURES
? Available in SC-70-5 and SOT-23-5 packages
? Gain Bandwidth Product: 1 MHz (typical)
? Rail-to-Rail Input/Output
? Supply Voltage: 1.8V to 6.0V
? Supply Current: IQ = 100 ?A (typical)
? Phase Margin: 90° (typical)
? Temperature Range:
Industrial: -40°C to +85°C
Extended: -40°C to +125°C
? Available in Single, Dual and Quad Packages
PIN CONFIGUTION









