No.11173
● Low Voltage Operation Range: 1.8V to 5.5V
● Low On-Resistance: 2.5Ω (TYP)
● Low On-Resistance Flatness
● -3dB Bandwidth: 120MHz
● Fast Switching Times
tON 11ns
tOFF 30ns (SGM3001)
● Rail-to-Rail Operation
● Typical Power Consumption (< 0.01μW)
● TTL/CMOS Compatible
● Microsize Packages
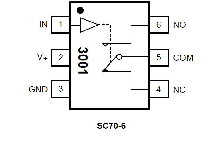
SGM3001 Available in a Green SC70-6 Package
The SGM3001 (single) and SGM3002 (dual) are bidirectional, low on-resistance, low voltage, single- pole/double-throw (SPDT) CMOS analog switches designed to operate from a single 1.8V to 5.5V supply. Targeted applications include battery powered equipment that benefit from low RON (2.5Ω) and fast switching speeds SGM3001 (tON = 11ns, tOFF = 30ns) and SGM3002 (tON = 11ns, tOFF = 8ns).
The on-resistance profile is very flat over the full analog signal range. This ensures excellent linearity and low distortion when switching audio signals.
The SGM3002 is a committed dual single-pole/double- throw (SPDT) that consist of two normally open (NO) and two normally close (NC) switches. This configuration can be used as a dual 2-to-1 multiplexer.
The single version SGM3001 is available in a Green SC70-6 package. The dual version SGM3002 is available in a Green MSOP-10 package.









