No.11156
● Supply Range: +2.5V to +5.0V
● Negative Signal Swing Capability: -2.0V to V+
● On-Resistance: 4Ω (TYP) at +5.0V
● High Bandwidth: 400MHz
● Fast Switching Times
tON = 15ns (TYP)
tOFF = 11ns (TYP)
● High Off-Isolation: -49dB at 10MHz
● 1.8V Logic Control
● Break-Before-Make Switching
● Extended Industrial Temperature Range: -40℃ to +85℃
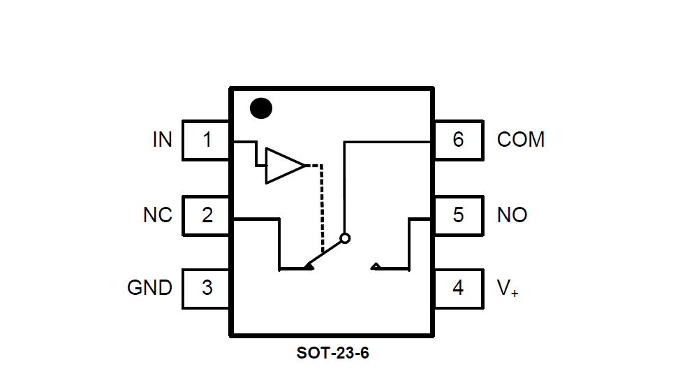
● Small Package Available in Green SOT-23-6 Package
The SGM3719 is a bidirectional, single-pole/double-throw (SPDT) CMOS analog switch designed to operate from a single +2.5V to +5.0V supply. It features high bandwidth (400MHz) and low on-resistance (4Ω TYP), and the switches can handle negative signal down to -2.0V.
The SGM3719 features a guaranteed on-resistance matching of 0.1Ω (TYP) between switches and a guaranteed on-resistance flatness of 1Ω (TYP) over the signal range. This ensures excellent linearity and low distortion when switching audio signals.
The SGM3719 is a committed single-pole/double-throw (SPDT) switch that consists of one normally open (NO) and one normally closed (NC) switches. This configuration can be used as a 2-to-1 multiplexer.









