No.11136
● Voltage Operation : 1. 8 V to 5. 5 V
● On-Resistance: 4.5Ω (typ) at 5.0V
● High Bandwidth: 300 MHz
● Fast Switching Time
tON 26 ns
tOFF 20 ns
● High Off-Isolation: 57dB at 10MHz
● Low Crosstalk: 99dB at 10MHz
● Rail-to-Rail Operation
● TTL/CMOS Compatible
● Break-Before-Make Switching
● Extended Industrial Temperature Range: –40°C to 85°C
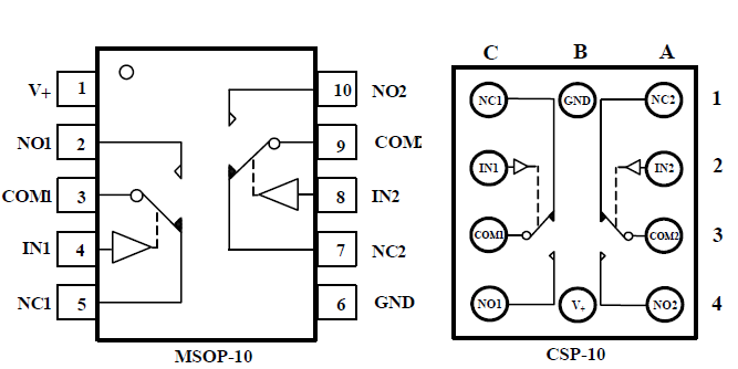
● MSOP-10 and CSP-10 Packages
The SGM4717 is a dual, bidirectional, single-pole/doublethrow (SPDT) CMOS analog switches designed to operate from a single +1.8V to +5.5V supply. It features high-bandwidth (300MHz) and low ON-resistance (4.5Ω typ), Targeted applications for audio switching. SGM4717 features guaranteed on-resistance matching (0.3Ω max) between switches and guaranteed on-resistance flatness over the signal range (2.3Ω TYP). This ensures excellent linearity and low distortion when switching audio signals.
The SGM4717 is a committed dual single-pole/double -throw (SPDT) that consist of two normally open (NO) and two normally close (NC) switches. This configuration can be used as a dual 2-to-1 multiplexer.
SGM4717 is available in MSOP-10 and CSP-10 packages.









