No.14095
? AEC-Q100 Qualified for Automotive Applications
Device Temperature Grade 1
TA = -40℃ to +125℃
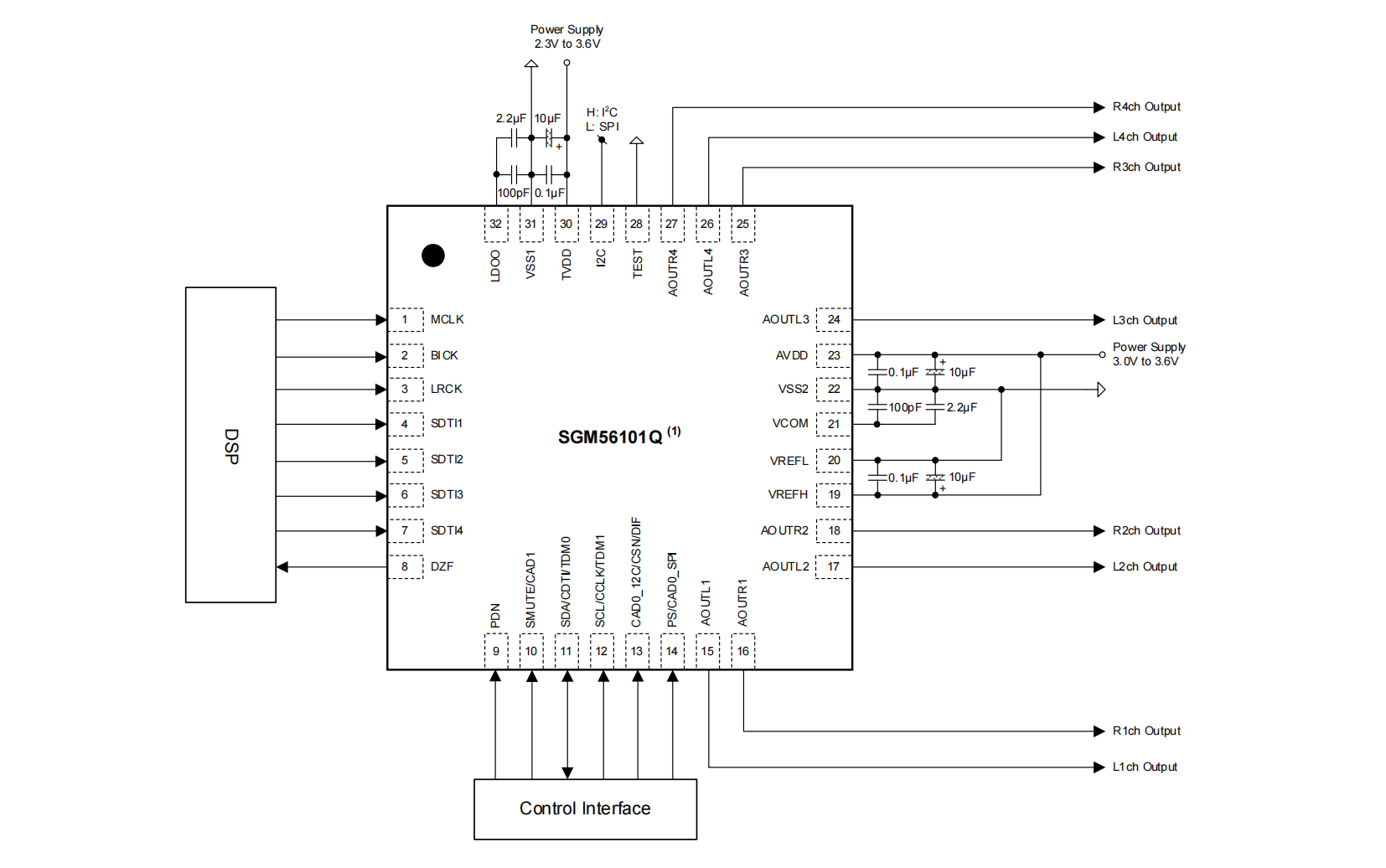
? Power Supply Voltage Range
Analog Power Supply: AVDD = 3.0V to 3.6V
Digital Power Supply: TVDD = 2.3V to 3.6V
Digital Power Supply with Integrated LDO
? 32-Bit, 8-Channel DAC
x256 Oversampling
32-Bit, High-Performance Sound Digital Filter
THD + N: 91.5dB
DR, SNR: 110dB
Flexible Digital Volume Control System (Each Channel):
Full Range 0dB to -127dB, 0.5dB per Step and Mute
Soft Mute
De-emphasis Filter Options: 32kHz, 44.1kHz and 48kHz
Audio Interface Format Options: MSB/LSB Justified, I2S
and TDM
Channel-Independent Zero Detection
? Sampling Frequency
Normal Speed Mode: fS = 8kHz to 48kHz
Double Speed Mode: fS = 48kHz to 96kHz
Quad Speed Mode: fS = 96kHz to 192kHz
? Master Clock Ratio
Normal Speed Mode: 256 × fS, 384 × fS, 512 × fS,
768 × fS
Double Speed Mode: 128 × fS, 192 × fS, 256 × fS
Quad Speed Mode: 128 × fS
? Control Interface: 3-Wire Serial, I2C-Bus (Fast Speed
Mode: 400kHz ) and Parallel Mode
? Operating Power Consumption: 30.5mA (fS = 48kHz)
? -40℃ to +125℃ Operating Temperature Range
? Available in a Green TQFN-5×5-32FL Package









