High Speed, 2-1:3 Multiplexer
SGM7232
SGM7232.pdf
No.11060
FEATURES
● Low Distortion High Speed Analog Switches
● Power OFF Protection
● Short Protection between COM+/COM- and VCC
● Crosstalk (100kHz): -90dB
● Off-Isolation (100kHz): -90dB
● Single Supply Operation: 2.7V to 4.3V
● Internal 5MΩ Pull-Down Resistors at C0, C1 Pins
● Available in Green UTQFN-2.2×1.4-12L Package
DESCRIPTION
The SGM7232 is a differential 3:1 analog multiplexer switch which operates from a single supply in the range of 2.7V to 4.3V. It can be used to multiplex between general signals and high-speed differential data signals.
The SGM7232 is available in Green UTQFN-2.2×1.4-12L package. It operates over a temperature range of -40°C to +85°C.
APPLICATION CIRCUIT
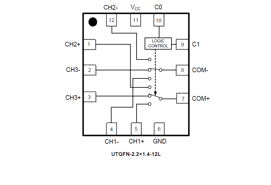
PIN CONFIGUTION









