No.10747
? Rail-to-Rail Output 2mV Typical VOS
? High Speed
350MHz, -3dB Bandwidth (G = +1)
265V/μs, Slew Rate
32ns Settling Time to 0.1% with 2V Step
? Operates on 2.5V to 5.5V Supplies
? Input Voltage Range = -0.2V to +3.8V with VS = 5V
? Excellent Video Specs (RL = 150Ω, G = +2)
Gain Flatness 0.1dB to 70MHz
Diff Gain: 0.004%, Diff Phase: 0.08 degree
? Low Power
4.3mA/Amplifier Typical Supply Current
? Small Packaging
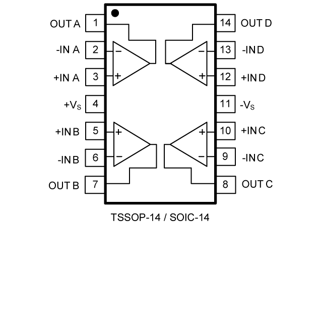
SGM8094 Available in SOIC-14 and TSSOP-14
The SGM8091/8093(single),SGM8092 (dual), SGM8094 (quad) are rail-to-rail output voltage feedback amplifiers offering ease of use and low cost. They have bandwidth and slew rate typically found in current feedback amplifiers. All have a wide input common-mode voltage range and output voltage swing, making them easy to use on single supplies as low as 2.5V. Despite being low cost, the SGM8091 series provide excellent overall performance. They offer wide bandwidth to 350MHz (G=+1) along with 0.1 dB flatness out to 125MHz (G = +1) and offer a typical low power of 4.3mA/amplifier.
The SGM8091 series are low distortion and fast settling make them ideal for buffering high speed A/D or D/A converters. The SGM8093 has a power-down disable feature that reduces the supply current to 75?A. These features make the SGM8093 ideal for portable and battery-powered applications where size and power are critical. All are specified over the extended -40℃ to +125℃ temperature range.









