Application-Specific Operational Amplifier
SGM8199
SGM8199.pdf
No.10659
FEATURES
? Wide Common Mode Range: 0V to 26V
? Offset Voltage: ±30μV (TYP)
(Enables shunt drops of 10mV full-scale)
? Accuracy: ±0.02% Gain Error (TYP)
? Choice of Gains:
SGM8199A0 Gain: 20V/V
SGM8199A1 Gain: 50V/V
SGM8199A2 Gain: 100V/V
? Quiescent Current: 70μA (TYP)
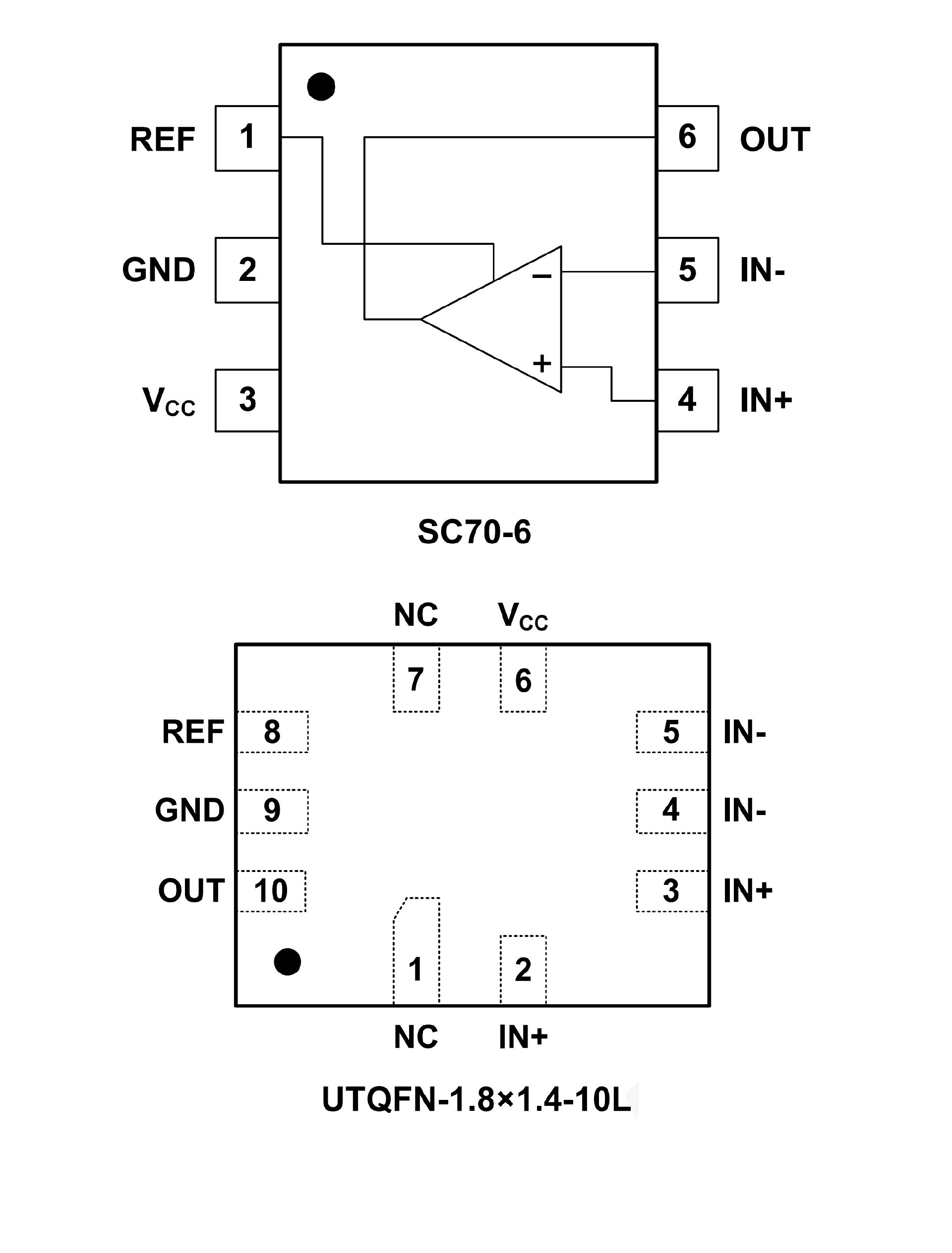
? Available in Green SC70-6 and UTQFN-1.8×1.4-10L
Packages
DESCRIPTION
The SGM8199 series are voltage output current shunt monitors which can sense drop across shunt at common mode voltages from 0V to 26V, independent of the supply voltage. Three fixed gains are available: 20V/V, 50V/V and 100V/V. The low offset enables current sensing with maximum drops across the shunt as low as 10mV full-scale.
These devices operate from a single 2.7V to 26V power supply, drawing a typical 70μA of supply current.
The SGM8199 series are available in Green SC70-6 and UTQFN-1.8×1.4-10L packages. They are specified over the extended -40℃ to +125℃ temperature range.
APPLICATION CIRCUIT
PIN CONFIGUTION









