No.10638
· Low Cost
· Rail-to-Rail Input and Output 0.8mV Typical VOS
· Unity Gain Stable
· Gain-Bandwidth Product: 1.1MHz
· Very Low Input Bias Current: 0.5pA
· Supply Voltage Range: 2.1V to 5.5V
· Input Voltage Range:
- -0.1V to +5.6V with VS = 5.5V
· Low Supply Current: 46μA/Amplifier
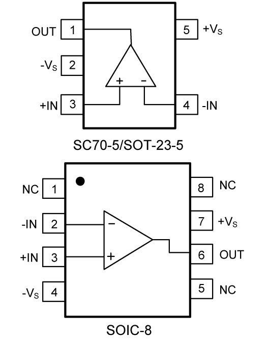
· Small Packaging SOIC-8, SC70-5 and SOT-23-5
The SGM8541 (single), SGM8542 (dual) and SGM8544 (quad) are low cost, rail-to-rail input and output voltage feedback amplifiers. They have a wide input commonmode voltage range and output voltage swing, and take the minimum operating supply voltage down to 2.1V. The maximum recommended supply voltage is 5.5V. All are specified over the extended -40℃ to +125℃ temperature range.
The SGM8541/2/4 provide 1.1MHz bandwidth at a low current consumption of 46μA per amplifier. Very low input bias currents of 0.5pA enable SGM8541/2/4 to be used for integrators, photodiode amplifiers, and piezoelectric sensors. Rail-to-rail input and output are useful to designers for buffering ASIC in single-supply systems. Applications for these amplifiers include safety monitoring, portable equipment, battery and power supply control, and signal conditioning and interfacing for transducers in very low power systems.









