No.10828
● Low Power Consumption: 2.2μA (TYP) at VS = 1.8V
● Wide Supply Voltage Range: 1.8V to 5.5V
● Push-Pull Output Current Drive: 18mA (TYP) at VS = 5V
● Rail-to-Rail Input
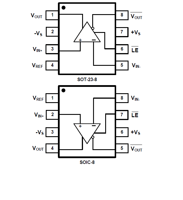
● VOUT and VOUT Dual Outputs
● Latch Function Included
● Integrated 1.2V Voltage Reference
● -40℃ to +85℃ Operating Temperature Range
● Available in Green SOT-23-8 and SOIC-8 Packages
The SGM8708 is a low power comparator with a typical power supply current of 2.2μA. It features an uncommitted on-chip voltage reference, comparator input common mode range of 200mV beyond the supply rails, and single-supply operation from 1.8V to 5.5V. The integrated 1.2V series voltage reference offers low 42μV/℃ drift, is stable with up to 10nF capacitive load, and can source up to 2mA (TYP) of output current. Designed to operate over a wide range of supply voltages, from 1.8V to 5.5V, with guaranteed operation at 1.8V and 5.0V, the SGM8708 is ideal for use in a variety of battery-powered applications. With rail-to-rail input common mode voltage range, the SGM8708 is well suited for single-supply operation. Its small packages make this device ideal for use in handheld electronics and mobile phone applications.
Featuring a push-pull output stage and having a latch enable input (LE ), the SGM8708 allows for operation with absolute minimum power consumption when driving any capacitive or resistive load.









