No.10786
The SGM8743 is a single high-speed comparator optimized for systems powered from a 3V or 5V supply. The device features high-speed response, low-power consumption, and rail-to-rail input range. Propagation delay is 6ns, while supply current is only 1.3mA. The input common mode range of the SGM8743 extends
beyond both power supply rails. The output pulls to within 0.1V of either supply rail without external pull-up circuitry, making the device ideal for interface with both CMOS and TTL logics. All input and output pins can tolerate a continuous short-circuit fault condition to either rail. Internal hysteresis ensures clean output switching, even with slow-moving input signals.
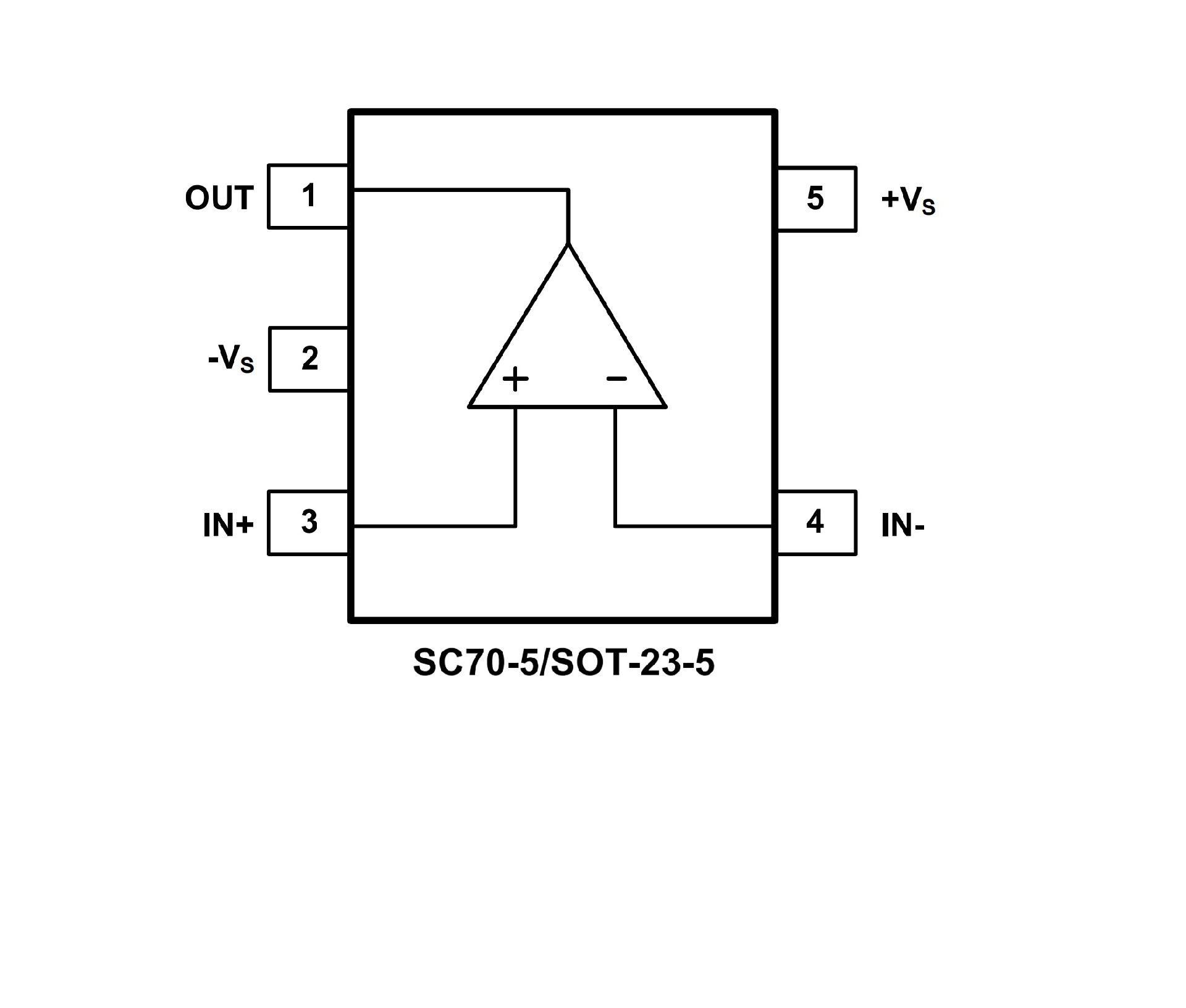
The SGM8743 is available in Green SOT-23-5 and SC70-5 packages. It is rated over the -40℃ to +85℃ temperature range.









