No.11198
? 5-Channel 5th-Order 8MHz (SD) Filters
? Transparent Input Clamping
? 6dB Output Driver Gain
? Rail-to-Rail Output
? Input Voltage Range Includes Ground
? AC- or DC-Coupled Inputs
? AC- or DC-Coupled Outputs
? Operates from 3.3V to 5.5V Power Supply
? Low Power 44mA Total Supply Current
? Available in Green TSSOP-14 Package
? -40℃ to +85℃ Operating Temperature Range
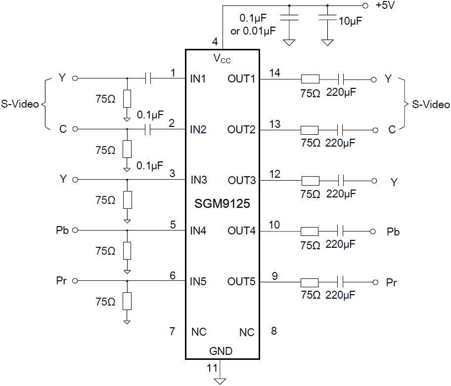
The SGM9125 is a low voltage, 5-channel video amplifier with integrated reconstruction filters and input clamps. Specially suited for standard definition video signals, this device is ideal for a wide range of television and set-top box applications. SGM9125 offers 6dB gain rail-to-rail output driver and 5th-order output reconstruction filter on all five channels. It has 8MHz -3dB bandwidth and 35V/μs slew rate. SGM9125 provides improved image quality compared with passive LC filters and discrete drivers solution. Operating from single power supply ranging from 3.3V to 5.5V and sinking an ultra-low 44mA quiescent current, the SGM9125 is ideally suited for battery powered applications.
SGM9125 can be DC-coupled or AC-coupled with input video signal, such as the output stage of DAC to eliminate out-of-band noise. The output in SGM9125 can be configured as DC- or AC-coupled output.









